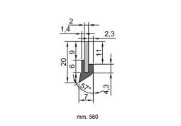
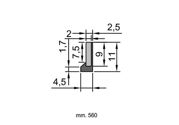
Telescopic Cover Wipers

Manufactured in standard length, our way wipers can be easily cut and customized to fit different types of telescopic covers.

CUSTOMIZABLE
SUITABLE FOR METAL SURFACES
THEY CAN BE WELDED, SCREWED OR RIVETED

Exhibitions